Mätning / Faro Mätarm 2,5 m / Reverse engineering
Genom att använda vår Faro Mätarm i kombination med Polyworks kan vi utföra avancerad mätning av detaljer, konturer, gängor, kuggar och splines med hög noggrannhet. Vi kan även utföra sk reverse engineering.
Reverse engineering är en teknik där du ifrån en färdig produkt tar fram detaljerade ritningar och specifikationer på hur produkter fungerar. Ordet syftar alltså på att arbetssättet är omvänt jämfört med hur en ingenjör vanligen arbetar.
Mätarmen i kombination med vår 3D CAD ger oss fantastisk möjlighet att jobba med komplexa detaljer som t ex formverktyg och gjutformar. Vi kan också mäta toleranser och slitage genom att jämföra mot en CAD-modell.
Mätarmen har temperaturkompensering vilket är en förutsättning för att noggrannhet skall kunna garanteras i verkstadsmiljö eller i miljöer utanför ett mätrum. Den har en magnetfot vilket gör den mycket flexibel.
Har du några frågor eller vill bli kontaktad.
Mätning mot 3D-modeller
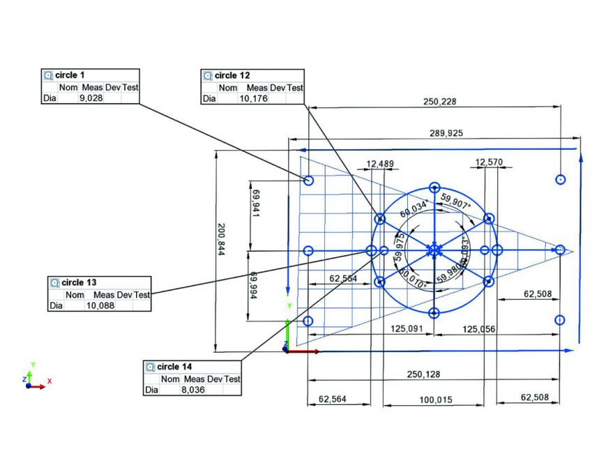
Mätning mot CAD-modell för att kunna se om färdigmåtten är inom toleranserna. Det går även att mäta slitage på en använd detalj.
Reverse engineering
Mät upp befintlig detalj och överföra till Cad programmet. Enkelt att få solider och ritning på befintliga detaljer.
Mätning av kuggar
Mätning av kuggar, gängor eller splines. Det är mycket enkelt att utgå ifrån mätningen och rita upp en modell i 3D-CAD för tillverkning.
Mätning av kontur och hålbild
Mätarmen är mycket användbar för att rita av konturer och hitta rätt hålbild. Mycket praktiskt om hålen är ovala.
Formfel
Få en bild med pilar på hur detaljer skiljer sig emot 3D eller teoretiskt.
Kontrollmätning
Kontrollmätning , enkelt att repetera på flera detaljer.
Mätprotokoll
Enkelt att få fina mätprotkoll med toleranser.






